เราจะนําเสนอประสิทธิภาพวิธีการทํางานที่ปลอดภัยและพารามิเตอร์ทางเทคนิคของสวิตช์แรงดันกลาง HXGN-12
1.ขอบเขตการใช้งาน

HXGN□-12 (F.R.) ชนิดกล่องคงที่ AC โลหะปิดสวิตช์ (เรียกว่า "ตู้เครือข่ายแหวน") เป็นสวิตช์ชนิดใหม่ที่ออกแบบมาสําหรับการปรับปรุงและการก่อสร้างของกริดไฟฟ้าในเมืองนอกจากนี้ยังใช้เป็นกระแสแบ่งโหลดกระแสลัดวงจรและปิดกระแสจานในระบบจ่ายไฟและเหมาะสําหรับระบบกระจายไฟ AC 3-10เควี, 50Hzใช้กันอย่างแพร่หลายในการก่อสร้างและปรับปรุงโครงการตารางไฟฟ้าในเมืองผู้ประกอบการอุตสาหกรรมและเหมืองแร่อาคารสูงและสิ่งอํานวยความสะดวกสาธารณะเป็นต้นเป็นหน่วยจ่ายไฟเครือข่ายวงแหวนและอุปกรณ์ขั้วมีบทบาทในการกระจายพลังงานการควบคุมและการป้องกันอุปกรณ์ไฟฟ้าและยังสามารถติดตั้งในสถานีย่อยที่ติดตั้งไว้ล่วงหน้าตู้เครือข่ายแหวนนี้ติดตั้งสวิตช์โหลดสูญญากาศและกลไกการทํางานของสปริงซึ่งสามารถใช้งานด้วยตนเองหรือไฟฟ้าได้สวิตช์สายดินและสวิตช์แยกมีกลไกการใช้งานด้วยตนเองและชุดที่สมบูรณ์ของตู้เครือข่ายแหวนนี้มีความแข็งแรงและมีขนาดเล็กไม่มีความเสี่ยงต่อการเผาไหม้และการระเบิดและมีฟังก์ชั่น "ห้าป้องกัน" ที่เชื่อถือได้ตู้เครือข่ายแหวนนี้สอดคล้องกับบทบัญญัติที่เกี่ยวข้องของ GB3960 "3 ~ 35เควี AC สวิตช์โลหะ" และ IEC60420 "แรงดันสูง AC โหลดสวิตช์รวมเครื่องใช้ไฟฟ้า" มาตรฐาน
2.รูปแบบและความหมายของมัน
HXGN□-12 (f.r)
H: เครือข่ายแหวน
X: ประเภทกล่อง
G: Stationary
N: ในร่ม
▫: ออกแบบหมายเลขซีเรียล
12: แรงดันไฟฟ้าที่กำหนด
(F.r): โหลดสวิตช์-ฟิวส์รวมกัน
3.เงื่อนไขการใช้งานปกติ
1.อุณหภูมิอากาศแวดล้อม: -15. 0 40 ℃;
2.ระดับความสูง: 1000เมตรและต่ำกว่า;
3.สภาพความชื้น: เฉลี่ยรายวันไม่เกิน 95% ความดันไอน้ําเฉลี่ยรายวันไม่เกิน 2.2kPa เฉลี่ยรายเดือนไม่เกิน 90% และความดันไอน้ําเฉลี่ยรายเดือนไม่เกิน L 8kPa
4.ความเข้มของแผ่นดินไหว: ไม่เกิน8องศา;
5.ไม่มีสารมลพิษที่เห็นได้ชัดเช่นก๊าซที่มีฤทธิ์กัดกร่อนหรือไวไฟ
หมายเหตุ: หากเกินเงื่อนไขการใช้งานตามปกติข้างต้นผู้ใช้อาจเจรจาต่อรองกับ บริษัท
4.พารามิเตอร์ทางเทคนิคหลัก
หมายเลขซีเรียล | ชื่อ | หน่วย | ข้อมูล | |
1 | แรงดันไฟฟ้าที่จัดอันดับ | เควี | 12 | |
2 | จัดอันดับปัจจุบัน | โหลดสวิตช์กิ้ง | A | 630 |
สวิตช์รวม | 125 | |||
3 | จัดอันดับลัดวงจรทําลายกระแส | KA | 31.5 | |
4 | การจัดอันดับการแบ่งปัจจุบันโหลดที่ใช้งานอยู่ | A | 630 | |
5 | ได้รับการจัดอันดับสําหรับระยะสั้นทนต่อกระแส | KA | 20 | |
6 | จัดอันดับสูงสุดทนต่อปัจจุบัน | KA | 50 | |
7 | ความถี่ไฟฟ้าที่ได้รับการจัดอันดับจะทนต่อแรงดันไฟฟ้า interphase, ground/แบรค | เควี | 42/48 | |
8 | ฟ้าผ่าช็อตทนต่อแรงดันไฟฟ้าเฟสพื้นดิน/แบรค | เควี | 75/85 | |
9 | ชีวิตเครื่องจักรกล | เวลา | 10000 | |
10 | จัดอันดับการส่งมอบปัจจุบัน (เครื่องใช้ไฟฟ้ารวม) | A | 3150 | |
11 | วิธีการทํางาน | คู่มือหรือไฟฟ้า | ||
12 | ระดับการป้องกัน | IP3X | ||
5.ลักษณะโครงสร้าง(ดังแสดงในรูปที่2และรูปที่3)
1.ลักษณะประสิทธิภาพโครงสร้าง
1.1.1 ตู้เครือข่ายแหวนใช้โปรไฟล์ 8MF และกรอบทั้งหมดติดตั้งด้วยรูโมดูลัส B = 2 (แทน
ตู้เครือข่ายวงแหวน L1.2 ติดตั้งสวิตช์โหลด FZN21-12D หรือเครื่องใช้ไฟฟ้ารวมฟิวส์ FZRN21-12D ซึ่งมีสวิตช์แยกสวิตช์โหลดสูญญากาศและสวิตช์สายดินและสวิตช์ตัดการเชื่อมต่อและสวิตช์สายดินมีส่วนแบ่งที่ชัดเจน
1,3 สวิตช์แยก, สวิตช์โหลดสูญญากาศ, สวิตช์สายดินและประตูตู้มีอุปกรณ์ขุดและเชื่อมต่อที่สมบูรณ์แบบและเชื่อถือได้ซึ่งสามารถป้องกันการทํางานผิดพลาดได้อย่างมีประสิทธิภาพและรับประกันการบํารุงรักษาที่ปลอดภัย
1.1.4สามารถใช้งานได้ด้วยตนเองและไฟฟ้า
1.ประตูตู้และประตูเครื่องมือของตู้วัด L5มีหมุดปิดผนึก
1.1.6 ฟิวส์รวมตู้ไฟฟ้าและหลอดละลายที่มีขายิงในกรณีที่มีการลัดวงจรหมุดยิงจะตีกลไกการสะดุดเพื่อให้บรรลุการเปิดและทําลายอย่างรวดเร็วซึ่งสามารถป้องกันอุปกรณ์ไฟฟ้าได้อย่างมีประสิทธิภาพ
1.L 7แหวนตาข่ายตู้ adopts การดำเนินงานด้านหน้าการติดตั้งผนังที่เชื่อถือได้
2. "ห้าป้องกัน" ฟังก์ชั่นการล็อค
2. 2.1การดําเนินงานการส่งกําลัง: เฉพาะเมื่อประตูตู้ปิดและล็อคและสวิตช์พื้นดินถูกใช้งานในตําแหน่ง "เปิด" สวิตช์โหลดสามารถใช้งานเพื่อปิดตําแหน่งได้
2.2.2 การดําเนินงานไฟฟ้าดับ: เมื่อสวิตช์โหลดอยู่ในตําแหน่งแยกสวิตช์สายดินสามารถปิดได้และเมื่อสวิตช์สายดินอยู่ในตําแหน่งปิดพาร์ติชันฉนวนจะถูกใส่เข้าไปในสถานที่เพื่อเปิดประตูตู้
2.1. 3 ตัวตัดสูญญากาศเชื่อมต่อกับมีดแยกได้อย่างน่าเชื่อถือและมีดแยกและมีดสายดินเชื่อมต่อกันและเชื่อมต่อกับประตูตู้และพาร์ติชันฉนวนก็เชื่อมต่อกับประตูตู้
![]() | รูปที่ 2 A: ฉนวนกันความร้อน B: ผ่านปลอกผนัง C: กลไกการทํางาน D: สวิตช์สายดิน |
![]() | รูปที่ 3 A: ฟิวส์ (แยกประตูมีด) B: กลไกควบคุมกระสุน C: โหลดสวิตช์ D: หม้อแปลงปัจจุบัน |
6.หลักการของแหล่งจ่ายไฟเครือข่ายวงแหวน
แหล่งจ่ายไฟเครือข่ายวงแหวน < ประกอบด้วยสามหน่วยพื้นฐาน (ดูรูป) ตู้สายเข้าและเต้าเสียบใช้เป็นหน่วยเครือข่ายวงแหวนซึ่งสามารถแยกได้ทันเวลาเมื่อเกิดความผิดพลาดใด ๆ และหน่วยอื่นช่วยให้มั่นใจได้ว่ามีการจ่ายไฟอย่างต่อเนื่องของสาขาหม้อแปลงของผู้ใช้ตู้เครือข่ายลูปผู้ใช้มีบทบาทในการป้องกันและแยกหม้อแปลงซึ่งสะดวกสําหรับการบํารุงรักษาและยกเครื่องตู้เครือข่ายแหวนสามารถขยายได้โดยพลการและสามารถประกอบด้วยรูปแบบการรวมกันที่หลากหลายจากหน่วยพื้นฐานตามความต้องการของผู้ใช้
![]() | ||
| ตู้สายเคเบิลเข้าและออก ตู้สาขาหม้อแปลงผู้ใช้ ตู้สายเคเบิลเข้าและออก |
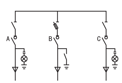
7.แผนภาพวงจรหลัก
หมายเลขแผน | 01 | 02 | 03 | 04 | 05 | 06 |
แผนผังวงจรหลัก | ![]() | |||||
ใช้งาน | สายเคเบิลเข้าและออกจากสาย | สายเคเบิลเข้าและออกจากสาย | สายเคเบิลเข้าและออกจากสาย | สายเคเบิลเข้าและออกจากสาย | สายเคเบิลเข้าและออกจากสาย | สายเคเบิลเข้าและออกจากสาย |
การแยก/โหลด/รวมเครื่องใช้ไฟฟ้า | GN□-12D | GN□-12D | GN□-12D | FZN21-12D | FZN21-12D | FZN21-12D |
ฟิวส์ | RN3 | RN3 | ||||
หม้อแปลงกระแสไฟฟ้า | LZZBJ9 | LZZBJ9 | ||||
อาร์เซนเตอร์ | HY5W | |||||
หมายเลขแผน | 07 | 08 | 09 | 10 | 11 | 12 |
แผนผังวงจรหลัก | ![]() | |||||
ใช้งาน | สายเคเบิลเข้าและออกจากสาย | สายเคเบิลเข้าและออกจากสาย | สายเคเบิลเข้าและออกจากสาย | สายเคเบิลเข้าและออกจากสาย | สายเคเบิลเข้าและออกจากสาย | สายเคเบิลเข้าและออกจากสาย |
การแยก/โหลด/รวมเครื่องใช้ไฟฟ้า | FZN21-12D | FZN21-12D | FZN21-12D | FZN21-12D | FZN21-12D | GN□-12D |
ฟิวส์ | RN2 | RN2 | RN2 | |||
หม้อแปลงกระแสไฟฟ้า | LZZBJ9 | LZZBJ9 | LZZBJ9 | LZZBJ9 | ||
หม้อแปลงแรงดันไฟฟ้า | JDZ | JDZ | JDZ | |||
อาร์เซนเตอร์ | HY5W | HY5W | HY5W | |||
หมายเลขแผน | 13 | 14 | 15 | 16 | 17 | 18 |
แผนผังวงจรหลัก | ![]() | |||||
ใช้งาน | สายเคเบิลวัดขาเข้าและขาออก | สายเคเบิลเข้าและออกจากสาย | สายเคเบิลเข้าและออกจากสาย | สายเคเบิลเข้าและออกจากสาย | สายเคเบิลวัดขาเข้าและขาออก | เต้าเสียบสายเคเบิลขาเข้าเหนือศีรษะ |
การแยก/โหลด/รวมเครื่องใช้ไฟฟ้า | FZRN21-12 | FZRN21-12D | FZRN21-12D | FZRN21-12D | GN□-12D | |
ฟิวส์ | RN2 | S□ลาเจ | S□ลาเจ | S□ลาเจ | RN2 | RN3 |
หม้อแปลงกระแสไฟฟ้า | LZZBJ9 | LZZBJ9 | LZZBJ9 | LZZBJ9 | ||
หม้อแปลงแรงดันไฟฟ้า | JDZ | JDZ | ||||
หมายเลขแผน | 19 | 20 | 21 | 22 | 23 | 24 |
แผนผังวงจรหลัก | ![]() | |||||
ใช้งาน | เต้าเสียบสายเคเบิลขาเข้าเหนือศีรษะ | เต้าเสียบสายเคเบิลขาเข้าเหนือศีรษะ | เต้าเสียบสายเคเบิลขาเข้าเหนือศีรษะ | เต้าเสียบสายเคเบิลขาเข้าเหนือศีรษะ | เต้าเสียบสายเคเบิลขาเข้าเหนือศีรษะ | เต้าเสียบสายเคเบิลขาเข้าเหนือศีรษะ |
การแยก/โหลด/รวมเครื่องใช้ไฟฟ้า | FZRN21-12D | FZRN21-12D | FZRN21-12D | FZRN21-12D | FZRN21-12D | FZRN21-12D |
ฟิวส์ | S□ลาเจ | S□ลาเจ | S□ลาเจ | S□ลาเจ | ||
หม้อแปลงกระแสไฟฟ้า | LZZBJ9 | LZZBJ9 | LZZBJ9 | LZZBJ9 | ||
หม้อแปลงแรงดันไฟฟ้า | ||||||
หมายเลขแผน | 25 | 26 | 27 | 28 | 29 | 30 |
แผนผังวงจรหลัก | ![]() | |||||
ใช้งาน | ติดต่อ | ติดต่อ | การวัดและการประสานงาน | การวัดและการประสานงาน | ติดต่อสายเหนือศีรษะ | ติดต่อสายเหนือศีรษะ |
การแยก/โหลด/รวมเครื่องใช้ไฟฟ้า | FZRN21-12 | FZRN21-12D | FZRN21-12D | FZRN21-12 | ||
ฟิวส์ | S□ลาเจ | RN2 | RN2 | S□ลาเจ | ||
หม้อแปลงกระแสไฟฟ้า | LZZBJ9 | LZZBJ9 | ||||
หม้อแปลงแรงดันไฟฟ้า | JDZ | JDZ | ||||
8.รูปร่างและขนาดการติดตั้ง
1.ขนาดโดยรวมของตู้เครือข่ายวงแหวน
![]() | ![]() | ทิศทางความกว้างของตู้ |
| คําอธิบาย: สามารถเลือกความสูงได้ | คณะรัฐมนตรีทิศทางความลึก |
2.ขนาดการติดตั้งตู้เครือข่ายแหวน
![]() |
| หมายเหตุ: เหล็กช่องควรจะเชื่อถือได้ต่อสายดิน |